Воздушный отопитель PLANAR 9D — самый мощный отопитель из серии PLANAR.

Воздушный отопитель PLANAR 9D — самый мощный отопитель из серии PLANAR.
Теплопроизводительность: 8 кВт
Топливо: Дизельное топливо (ГОСТ-305)
Напряжение: 12В / 24В
Варианты применения: автомобиль, фургон, автобус, помещение, катер / яхта, автодом / кемпер.
Отопитель PLANAR 9D не предусматривает дальнейшего подключения системы воздуховодов в целях защиты от перегрева изделия. Выходной мощности отопителя в 8 кВт достаточно для того, что бы за час прогреть объём воздуха в 290 куб.м.
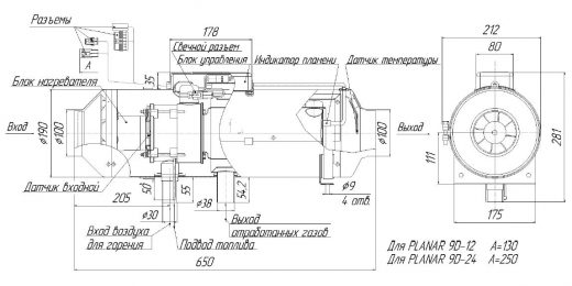
Отопитель PLANAR 9D может быть установлен практически на любом транспортном средстве, и поставляется с полным монтажным комплектом, независимо от того, выбираете ли вы версию на 12 В или 24 В постоянного тока.
Этот отопитель с высокой мощностью, остается экономичным независимо от того, работает ли он в режиме минимальной или максимальной мощности; Расход топлива колеблется только от 0,42 до 1,00 л / час.
Все отопители серии PLANAR оснащены нагнетателями воздуха, которые обеспечивают низкий уровень шума, а также длительный срок службы устройства и возможность работы в экстремальных условиях и при температурах до -45 ° C / -49 ° F.
Отопителями PLANAR можно управлять с помощью различных пультов управления или дистанционно, с помощью смартфона на iOS или Android (модем дистанционного управления продается отдельно).
Этот отопитель отлично подходит для тех, кому необходимо обогреть фургоны или грузовые отсеки коммерческих автомобилей, автобусы, большие автодома, специальные транспортные средства или катера / яхты.